Перейти до вмісту
Корисні поради для кожного
  • Сад і город
  • Господарство
    • Шкідники
    • Догляд за тваринами
  • Поради для дому
    • Кулінарні рецепти
    • Англійська мова
    • Новий Рік
    • Сонник
    • Змова
  • Корисні поради
    • Вібер
  • Ремонт
    • Утеплення
    • Сантехніка
    • Електрика
    • Техніка
    • Ванна кімната
    • Опалення
    • Авто
  • Мода
    • Весілля

Ремонт

  • Авто
  • Ванна кімната
  • Електрика
  • Опалення
  • Сантехніка
  • Утеплення

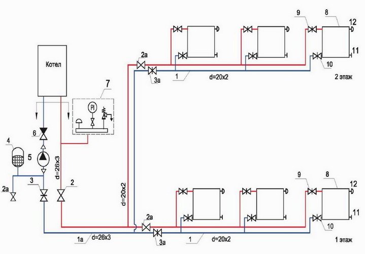
Як спроектувати “на ходу” і зробити опалення в двоповерховому будинку самостійно

Двоповерхові будинки та будинки з мансардою популярні. Схеми опалення таких будинків розроблені фахівцями давно,
Ремонт
Корисні поради для кожного

Опалювати приміщення Тенами – наскільки вигідно, потрібно застосовувати

ТЕН – електронагрівач рідини у вигляді металевої трубки, усередині якої знаходиться спіраль. Конструкцій, безліч
Ремонт
Корисні поради для кожного

Система опалення своїми руками – важливі нюанси

Часто необхідно змінити наявну систему опалення, або створити нову. Це можна зробити своїми руками,
Ремонт
Корисні поради для кожного

Як вибрати і підключити буферну ємність

Буферна ємність дозволяє накопичувати багато теплової енергії, у великому обсязі нагрітого теплоносія. Потім віддавати
Ремонт
Корисні поради для кожного

Як правильно використовувати незамерзайку, і варто застосовувати етиленгліколь…

Вода за своїми якостями кращий теплоносій для системи опалення. У неї теплоємність на 15
Ремонт
Корисні поради для кожного

Порядок заміни старого радіатора у квартирі з центральним опаленням

Чавунні радіатори у квартирах, встановлені 30, 40, 50 років тому вже відслужили свій термін,
Ремонт
Корисні поради для кожного

Надійний монтаж (з’єднання) металопластикових труб – як зробити

Багато упереджено думають, що з’єднання металопластикової труби, а також труб PERT і РЕХ, з
Ремонт
Корисні поради для кожного

Як встановити і налаштувати колектор теплої підлоги

Монтаж та налаштування колектора теплої підлоги здійснюються після зведення підстави підлоги, оздоблення стін, ніші
Ремонт
Корисні поради для кожного

Як досягти найбільшої економії на опаленні

Економія на енергоресурсах набуває все більшої значущості. І не тільки тому, що приватні будинки
Ремонт
Корисні поради для кожного

Застосування циркуляційних насосів типу ALPHA

Циркуляційні насоси для опалення попереднього покоління могли працювати тільки з фіксованою швидкістю обертання ротора.
Ремонт
Корисні поради для кожного

Як створюється енергозберігаючий будинок, як економити тепло

Основна стаття витрат на утримання будинку – опалення. Багато домовласники зараз вже звикли до
Ремонт
Корисні поради для кожного

Які помилки бувають при монтажі котельні, що предринять…

Монтаж котельні самостійно і цікавий і вигідний. Але при підключенні котла і облаштування котельні
Ремонт
Корисні поради для кожного
Пагінація записів
Назад 1 … 109 110 111 … 1 098 Далі
© 2026 Корисні поради для кожного
Звертаємо вашу увагу на те, що матеріали сайту взяті з відкритих джерел, і несуть ознайомлювальний характер і ні за яких умов не є публічною офертою або методиками для лікування. Адміністрація сайту не несе відповідальність за достовірність розміщеної інформації! Використання будь-яких матеріалів, розміщених на сайті, дозволяється за умови посилання на сайт!
Зворотній зв’язок | Політика конфіденційності