
Гвинтові сходи являє собою універсальну конструкцію, яка з’єднує поверхи. Основна перевага такого виду конструкцій полягає в їх компактності, а також нескладному монтажі, який під силу практично кожному.
Будівництво будь-якого виду сходів передбачає дотримання існуючих стандартів, допомагають у підсумку отримати довговічну і, головне, безпечну конструкцію.
Для того щоб зробити дерев’яну приставну драбину, важливо провести розрахунок, коректність якого буде залежати від обліку декількох факторів.
Слід не забувати, що при експлуатації неправильно спроектованої конструкції можна заподіяти шкоду здоров’ю.
Зміст:
- Переваги сходів з дерева
- Пристрій гвинтових сходів
- Розрахунок елементів сходів
- Визначаємо число ступенів
- Визначаємо проступ
- Вираховуємо кут закручування
- Етапи виготовлення
- Установка опори
- Закріплення ступенів
- Кріплення верхнього ступеня
Переваги сходів з дерева

Гвинтові сходи є улюбленою конструкцією в заміських будинках, оскільки дозволяє заощадити простір і має привабливий вигляд.
Серед основних переваг сходів з дерева можна виділити:
- економічність – для створення буде потрібно значно менше матеріалу, ніж при влаштуванні маршової, і грошових коштів;
- компактність – для пристрою потрібно невелика площа, так як ступені кріпляться навколо опори, як би «висів» у повітрі, що дозволяє встановлювати гвинтові сходи навіть в невеликих приміщеннях;
- легкість монтажу – встановити сходи з дерева можна своїми руками з мінімальним набором інструментів і обмеженим набором навичок;
- оригінальність – дерев’яні сходи ідеально вписуються в інтер’єр будь-якого приміщення, вносячи елемент незвичності і підкреслюючи витончений смак власника.
Найчастіше гвинтові сходи є прекрасним декором, який прикрашає інтер’єр, і відмінно виглядають в умовах обмеженого простору.
Пристрій гвинтових сходів

Перед тим як приступати до розрахунків і проектування, слід вивчити будову і вибрати матеріал для конструкції, так як від нього буде залежати довговічність сходів.
Найбільш поширеним матеріалом є дерево, при виборі якого слід віддавати перевагу ясенів, дубовим чи буковим порід деревини. А в якості матеріалу для несучої частини відмінно підходять азбоцементні або металеві труби.
Як будь-яка конструкція, сходи має кілька основних і додаткових елементів, які можуть додаватися для здійснення дизайнерської задумки, і включає в себе наступні складові:
- опорна стійка;
- опорна балка;
- східці, що розташовуються навколо стійки по спіралі;
- поручні, які служать в якості опори при спуску або підйомі.
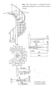
Розрахунок елементів сходів
До того як приступити до побудови сходів, слід визначити для себе вигляд конструкції, після чого потрібно виміряти простір у приміщенні, розрахувати і зробити креслярський ескіз.
Рада! При розрахунку проектних значень важливо не забувати, що висота проходу повинна забезпечити безперешкодне пересування наступного витка. Тому краще всього вибирати висоту близько 2 метрів.

Розрахунок проводиться шляхом виконання декількох етапів, по завершенні яких отримані значення з’єднуються разом і відображаються на кресленні. Потрібно визначити кілька основних показників:
Гвинтові сходи прийнято проектувати без подступенков, оскільки через них конструкція буде не дуже зручна в експлуатації: ширина середньої частини ступені буде вже довжини стопи. Значить, людина не зможе ставити ногу повністю, що може стати причиною зісковзування і отримання травм.
Визначаємо число ступенів

У майбутньої сходах кількість ступенів буде безпосередньо пов’язано з її конструктивними особливостями. Тому слід визначити вертикальні елементи, до яких належать значення подступенков: ширина, висота і довжина.
Щоб дізнатися висоту конструкції, потрібно виміряти відстань від нижнього та верхнього поверхів. При вимірюванні необхідно пам’ятати, що товщину між двома поверхами (перекриття) також включається значення.
Тобто якщо від підлоги до стелі 3,0 м, а товщина перекриття – 30 см, то щоб дізнатися висоту сходів, потрібно підсумувати два показника, і виходить 330 см. Всі інші підрахунки будуть орієнтовані на висоту подступенков.
Рекомендують вибирати висоту в діапазоні від 15 см до 20 см, так як людині буде зручно пересуватися по таких сходах. Для визначення кількості ступенів потрібно розділити перше отримане значення на друге: 330:15=22 сходинки.
Визначаємо проступ

Багаторічна практика показує, що мінімальна ширина проступи (в середній частині), зручна для руху по сходах, дорівнює 22 см, а максимальне значення не повинно перевищувати 40 см.
В іншому випадку людина буде збивати крок, і це стане причиною втоми. Та й сама конструкція буде займати багато місця через свою громіздкість.
Рекомендація! При розрахунку рекомендується не забувати про оптимальне співвідношення ширини ступенів і проступи, що допоможе у створенні безпечноїконструкції.
Вираховуємо кут закручування
Ця величина визначається експериментальним шляхом. Для цього потрібно виміряти відстань від місця початку та закінчення. Оптимальним кутом загортання вважається 360°.
Увага! Кут закручування повинен бути плавним, зручним і дозволяє економити простір.
Етапи виготовлення
Приступати до монтажу гвинтових сходів слід тільки після того, як завершені всі необхідні розрахунки. Цей етап роботи вважається самим простим, оскільки не вимагає особливих навичок або спеціального обладнання.
Виготовлення конструкції складається з виконання наступних обов’язкових етапів.
Установка опори

Несуча частина сходів повинна розташовуватися строго вертикально, тому для точності слід скористатися рівнем або схилом. Бажано використовувати металеву трубу з товстими стінами. Це дасть додаткову міцність конструкції.
При монтуванні вертикальної стійки застосовується два способи:
- з використанням розтяжок опора заливається бетоном;
- кріпиться анкерними болтами.
Рекомендація: потрібно не забувати про те, що місце, на яке буде спиратися несуча опора, повинна винести передбачуване навантаження.
Закріплення ступенів

Щоб встановити і закріпити на опорі щаблі, з їх вузької сторони потрібно просвердлити отвір, яке повинне бути дорівнює по діаметру стійці. Для подальшого монтування ступенів потрібні спеціальні втулки, рівні по вертикальній висоті.
Для запобігання деформації дерев’яних виробів, горизонтальні частини і втулки прокладають шайбами.
Поради по монтуванню ступенів:
- при розрахунку розміру, потрібно додавати розміри використовуваних шайб, оскільки в іншому випадку висота конструкції буде значно вище попередніх даних;
- щоб надати конструкції міцності, рекомендується укладати щаблі з невеликим нахлестом і кріпити кронштейнами;
- починати слід монтувати з нижньої ступені, розташовуючи щаблі проти годинникової стрілки по спіралі.
Кріплення верхнього ступеня

Завершальним етапом монтажу є кріплення верхньої сходинки до конструкції перекриття. Для цього використовують сталеві накладки. Якщо перекриття в приміщенні залізобетонні, верхня щабель прикріплюється за допомогою дюбелів.
При бажанні залишиться тільки зробити до сходів перила та поручні, які допоможуть конструкції придбати додаткову жорсткість.
Гвинтові дерев’яні сходи – це проста в монтажі конструкція, виготовити яку під силу кожній людині. Важливо слідувати декільком обов’язковим порад, які допоможуть спроектувати і встановити конструкцію.
Як побудувати гвинтові дерев’яні сходи своїми руками дивіться нижче у відео-інструкції:
