
Передмова
Кожен садівник мріє про власний винограднику, адже плоди цієї рослини не залишать байдужим жодного людини. Але багато хто боїться труднощів при посадці і догляду. Добре систематизувавши інформацію, можна уникнути труднощів, так що розглянемо для початку, як здійснюється посадка кущів винограду влітку.
Зміст
1. Вибір місця для посадки виноградника влітку
Цей етап має практично таке ж значення, як і технологія посадки, адже від того, правильно чи буде вибрано місце, і залежить, наскільки добре буде розвиватися рослина, його врожайність і стійкість до захворювань. Ділянка обов’язково повинен бути добре освітленим. Так що якщо планується посадка винограду серед дерев або поруч з об’єктами, що дають тінь, то варто розпрощатися з цією ідей, толку ніякого не буде. Дане сонцелюбива рослина, так що навіть якщо бажаєте поселити його поруч з парканом, будинком або іншим загородженням, то слід робити це з південної сторони.

Крім того, майте на увазі, що виноград боїться холодів, а особливо пекучих морозних вітрів, тому подбайте про те, щоб природні перешкоди пащі кущі від таких небажаних погодних умов. Також в зв’язку з цим не варто вибирати ділянку, що знаходиться в низині, адже там осідають холодні маси взимку. Якщо бажаєте зробити арку поруч з будинком, то від неї слід відступити мінімум на 80 см, в іншому випадку рясне поливання кущів негативно позначиться на стані фундаменту.

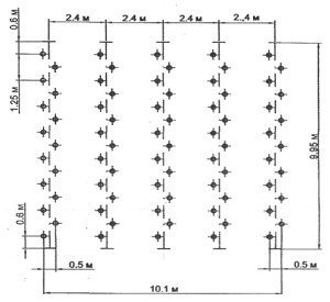
Ще має значення і відстань між кущами, воно повинно складати близько двох з половиною метрів. Якщо ж бажаєте посадити виноградник в декілька рядів, то вони повинні розташовуватися також мінімум через 2,5 м один від одного. В іншому ж випадку рослини будуть відчувати нестачу сонячного світла. В принципі, до ґрунті не пред’являються особливі вимоги у плані структури, підійде абсолютно будь-грунт – чорнозем, піщаний і т. д. Однак врахуйте, його склад може вплинути на врожайність.
2 Успішна посадка починається з ями
Вибравши відповідне місце на своїй ділянці землі, можна приступити і до підготовки посадкової ями. Адже недостатньо просто посадити саджанець у грунт, необхідно попередньо правильно підготувати грунт, і тільки тоді можна розраховувати на гарний розвиток і рясне плодоношення куща надалі. Так що беремо штикову лопату і вириваємо яму, розміри якої становить 70х70х70 див. Причому здійснювати дану операцію краще всього ще восени, але якщо з якихось причин такої можливості не було, то слід провести такі підготовчі роботи хоча б за пару тижнів до безпосередньо посадки.

Отже, щоб влітку зробити грунт максимально сприятливої для хорошого розвитку куща, необхідно її удобрити. Для цього нам знадобиться пару відер з піском, адже найбільш підходящої для виноградників вважається саме піщана місцевість. Ще потрібно 4 відра перегною і трохи золи, бажано з лози або ж плодових дерев. Отже, спочатку висипаємо тільки половину добрив у наступному порядку – перегній, пісок, літрова банка золи – і засипаємо все це двома відрами землі. Потім все гарненько перемішуємо, в результаті яма вийде поки що тільки на половину повної.

3 Підготовка саджанців до висадки влітку
Ну що ж, якщо у вас багато заготовлених саджанців, слід віддавати перевагу лише самим здоровим і міцним варіантами. Це можна визначити за зовнішнім виглядом. Всі нирки повинні бути досить великими і добре розвиненими, причому важливо і їх кількість не менше 5 штук. Не допускається наявність ніяких слідів хвороб, грибків, гнилі або ж інших пошкоджень. Так що уважно оглянете всю поверхню на наявність вищевказаних дефектів.

Природно, жарким літом не можна забувати і про кореневій системі винограду, адже саме через неї надходять усі поживні елементи. Так що беремо тільки такі екземпляри, коріння яких мають мінімум 3 відгалуження завтовшки понад 1 мм та довжиною не менше десяти сантиметрів. Але, крім таких зовнішніх параметрів, грає роль ще і їх стан. Само собою зрозуміло, що наявність будь-якого виду ушкоджень просто неприпустимо. Також вони повинні бути досить еластичними і ні в якому разі не висушеними. В іншому ж випадку рослина просто не приживеться, посадка позбавлена сенсу.

Отже, вибравши найбільш підходящі саджанці винограду, слід їх підготувати. Спочатку опускаємо коріння в ємність з водою на пару діб, так стануть більш помітними всі пошкоджені ділянки. Потім видаляємо зайві відгалуження, залишивши недоторканими тільки 2 нижніх сайту, при цьому не забуваємо освіжити (зрізати) кінці потрібних нам коренів. Загалом їх довжина не повинна перевищувати 25 див. Самі ж пагони також піддаються обробці, вони підрізають на 3-5 нирки, а на решті частини видаляються всі пасинки і вусики, які будуть забирати і без того відсутню енергію. Якщо уявити все ще важко цей етап роботи, то пропонуємо наочне відео підготовки саджанців.
4 Правильна посадка винограду – етапи
Тепер ми дійшли до найвідповідальнішої частини. Слід зауважити, що технологія посадки винограду влітку представлена і на відео, яке ми розмістили в цій статті. Це дозволить всі наші поради ще й побачити. У заздалегідь підготовлену яму виливаємо 2 відра води, і тільки після того, як рідина повністю вбереться, можна приступати до наступних дій. В залежності від типу грунту коренева система куща повинна знаходитися на відстані 50-60 см від поверхні.
Якщо місцевість піщана, то краще розмістити рослину глибше, а в чорноземі достатньо буде і півметра. Така посадка влітку забезпечує захист кореневої системи від промерзання взимку.

Саджанець винограду необхідно розмістити під кутом в 45°, тому робимо простий землі невеликий горбок і садимо в нього рослина, причому обов’язково слідкуємо, щоб коріння були спрямовані рівне вглиб. Потім, щоб спростити полив, можна зробити дренаж, достатньо лише вставити шматок пластикової труби таким чином, щоб один її кінець знаходився на рівні кореневої системи, а другий виступав на 10 див. Є небезпека, що після поливу ця трубка або піде під землю, або ж заб’ється. Щоб уникнути подібних ситуацій слід покласти під її край, що знаходиться в землі, шматочок твердого матеріалу, наприклад, шиферу, і присипати його щебінкою. Всі ці хитрощі можна побачити на нашому відео.
Далі засипаємо десятисантиметровий шар землі, а щоб коріння росли в потрібному напрямку, слід трохи потягнути саджанець, але робіть це обережно і не перестарайтеся. Потім виливаємо ще 2 відра води і висипаємо залишилися добрива – перегній, пісок, зола. При цьому шар повинен досягати рівня нижньої бруньки.

Виливши останнє відро води, накриваємо землю навколо рослини чорною плівкою і фіксуємо її цеглою, так волога буде максимально довго затримуватися у грунті і одночасно це є профілактикою бур’янів. А якщо приховати наземну частину саджанця під пластиковою пляшкою, обернутої білим папером, можна створити ідеальний мікроклімат, так як подібне пристосування вбереже рослину від перепадів температур. Однак врахуйте, пагони не повинні контактувати з пластиком. Як у підсумку повинна виглядати ваша невеличка плантація, ви можете побачити на відео, і на цьому посадка закінчена, залишилося освоїти ази догляду за кущами винограду.
