Одним з головних атрибутів для користування умивальником або душовою кабіною є змішувач з лійкою. Сьогодні існує величезний асортимент цих товарів. Останнім часом особливо популярними стали моделі, призначені для потайного монтажу.
Зміст статті
- Особливості інновацій
- Різновиди прихованих конструкцій
- Пристрій потайних змішувачів
- Практичні поради при монтажі
- Закріплення внутрішнього блоку
- Прокладка комунікацій
- Установка зовнішніх елементів
Особливості інновацій
Погодьтеся, дуже важливим моментом в оформленні будь-якого інтер’єру стає зовнішнє відсутність будь-яких непривабливих об’єктів, які виконують суто утилітарні функції. У цьому випадку завдання будь-якого дизайнера підібрати предмет не тільки функціональний, але ще і естетично привабливий. Вбудовані змішувачі для душу відповідають обом цим вимогам. Вони візуально створюють ефект збільшення простору за рахунок відсутності на стіні ванної громіздких деталей, які розміщуються всередині стіни. Всі такі вироби дуже витончені і виглядають привабливо. Це пояснюється особливостями монтажу таких елементів. Комунікації і сам механічний блок змішувача ховається в простінку, а назовні виступає лише декоративна панель управління потоками води та душова лійка.
Вбудовані змішувачі дуже витончені
Оскільки сам пристрій приховано в стіні, виробники попіклувалися про довговічність приладу і якості матеріалів, з яких він виготовлений. Вбудовані змішувачі прихованого монтажу поділяються на кілька різних видів, в залежності від їх призначення. Всі вони мають досить тривалий термін експлуатації. Зазвичай він становить не менше десяти років. Крім того, у разі виникнення поломки, усунути несправність можна навіть самостійно.
Всі вироби дуже легкі в управлінні і істотно підвищують комфорт експлуатації санвузла під час прийняття гігієнічних процедур. Ще одним важливим нюансом стане можливість придбання комплекту цієї продукції частинами в одного виробника. Ви можете вибрати відповідні до стилю приміщення зовнішні елементи і панель управління окремо від самого керуючого механізму.
Потрібно сказати і про те, що деякі моделі оснащені терморегулятором і контролем подачі води. Багато прилади запобігають розбризкуванню крапель рідини, що значно підвищують зручність експлуатації.
Проте є деякі недоліки таких конструкцій. Головним з них стане висока вартість таких конструкцій, ціна деяких з моделей доходить до декількох тисяч доларів. Крім того, монтаж систем потребує буріння перегородок, щоб прокласти в них комунікації і встановити змішувач, вбудований в стіну.
Відсутність зайвих громіздких елементів кріплень звільняє стіни санвузла
Різновиди прихованих конструкцій
Спочатку потрібно визначитися з призначенням приладу. В залежності від того, як ви плануєте його використовувати, потрібно вибрати відповідний вид конструкції. Сьогодні розрізняють наступні варіації таких виробів:
Деякі моделі передбачають не тільки прихований змішувач, але і душовою шланг
- змішувач для ванни вбудовуваний; подаючий механізм цієї системи ховається в простінку, а душовий шланг – в бортику ванни;
- механізми з термостатом; вони дозволяють регулювати напір і температуру води, що допомагає уникнути випадкових опіків з-за перепаду тиску в трубах;
- багатофункціональні конструкції-біде; системи, що дозволяють здійснювати процедури щоденної гігієни після користування туалетом;
- прилад для умивальників з одним важелем; самі прості і доступні за ціною конструкції;
- типовий вбудований змішувач для душу, який дозволяє прибрати з поля зору все непривабливі елементи монтажу.
Встраеваемые змішувачі з одним важелем підходять для умивальників
Потрібно сказати, що незалежно від обраної моделі, всі такі вироби дуже надійні, довговічні і міцні. Ці системи зможуть забезпечити комфорт експлуатації ванної кімнати і істотно поліпшити її інтер’єр.
Пристрій потайних змішувачів
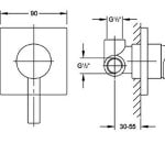
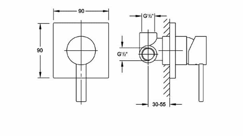
Детальне вивчення конструкції приладу полегшить його монтаж надалі. Зазвичай змішувачі, вбудовувані у стіну, складаються з внутрішнього вузла і зовнішньої панелі. Крім того, окремо набувають душову лійку і гусак, якщо в цьому є необхідність.
Внутрішній блок виконує функції змішування і подачі води. Саме він є найважливішим елементом системи. Деякі виробники поміщають цей вузол у спеціальний захисний пластиковий контейнер циліндричної форми. Однак нерідко змішувач можна придбати і без нього. Сам механізм виготовляють з бронзи або латуні, що частково виправдовує високу вартість виробу. Цей метал є оптимальним варіантом для контакту з водою, він дуже зносостійкий і міцний. Крім того, має тривалий термін служби. Враховуючи, що сам прилад буде перебувати в простінку під зовнішньою декоративною обробкою, таке якість матеріалу стане дуже доречним.
Внутрішній механізм виготовляють з міді або латуні
Типовий варіант цього механізму передбачає два виходи для підключення труб гарячого і холодного водопостачання і окремим штуцера для виведення змішаної рідини до лійці душа і гусаку. Розробники передбачили граничну простоту пристрою блоку. Щоб усунути можливі неполадки, в більшості випадків достатньо буде просто замінити гумові прокладки-ущільнювачі картридж.
Панель управління та інші елементи теж мають гранично простою і зрозумілою конструкцією. Крім того, визначальним моментом тут стає зручність їх фіксації.
Практичні поради при монтажі
Як стверджують фахівці, вбудовуваний змішувач для душу прихованого монтажу встановити досить легко. Процес приєднання практично ідентичний звичайним аналогам таких сантехнічних виробів. У цьому випадку найбільш трудомісткою частиною робіт стане підготовка простінків. Щоб оптимально провести комунікації і вибрати правильне місце установки внутрішнього механізму та зовнішніх елементів, краще скласти схему розводки труб і розміщення обладнання. Також незайвим буде і вказати розміри потрібних ділянок. Такі нескладні дії значно полегшать вам роботу надалі.
Перш ніж приступити до монтажу, необхідно ознайомитися з інструкцією виробника
Перш ніж починати бурити стіни, нанесіть на них розмітку, відповідно складеним проектом. Бажано також ознайомитись з інструкцією виробника, щоб врахувати всі необхідні нюанси і розміри.
Оскільки труби будуть знаходитися в стіні, не варто економити на матеріалі, з якого вони виготовлені. У разі виходу з ладу шланга або фітингів, вам доведеться демонтувати зовнішню обробку. Тому краще вибирати якісні вироби для прокладки внутрішніх комунікацій.
Відразу після фіксації конструкції обов’язково проведіть її пробний запуск. При цьому уважно вивчіть всі зчленування і перевірте, чи немає підтікання. Монтуючи систему на гіпсокартонні конструкції, доцільно придбати і встановити контролер проникнення вологи. Цей нехитрий прийом убезпечить вас від псування простінка при виникненні поломки.
Після монтажу системи потрібно провести її тестовий запуск
Закріплення внутрішнього блоку
Для розташування механізму в стіні, в ній проробляють отвір глибиною до одинадцяти сантиметрів і діаметром до п’ятнадцяти. Необхідні для кожної моделі розміри зазвичай вказані в інструкції до неї. Нішу можна пробурити, використовуючи спеціальну насадку на перфоратор, або по її периметру насвердлити отвори на невеликій відстані одне від іншого, а потім поступово видовбати отвір необхідних габаритів.
Для механізму проробляють отвір в стіні
У готовий отвір закріплюють пластиковий контейнер зі вставленим в нього керуючим вузлом. Фіксують виріб гвинтами або скобами, в залежності від модифікації. Якщо виріб не передбачає наявність захисного короба, блок монтується прямо в простінок. В цьому випадку воно повинно мати виступаючі частини, які надійно утримають вузол в ніші.
Прокладка комунікацій
Професіонали радять спочатку провести труби до місць розміщення душової лійки і гусака, а потім прокладати комунікації підведення від основної системи. Для цього в стінах пробивають канавки з допомогою перфоратора з лопатоподібною насадкою. Під час прорізання штроб потрібно стежити, щоб вони йшли по можливості паралельно, не перетинаючись одна з одною.
Також необхідно намагатися уникати великої кількості вигинів і поворотів шлангів. Пам’ятайте, що кожен додатковий з’єднувальний елемент може стати можливим джерелом протікання в майбутньому. Якщо все ж доведеться сочленять комунікації, ущільнити стики краще клоччям, а зверху покрити їх силіконовим герметиком або олійною фарбою або нітроемаллю.
Оптимальним рішенням в цьому випадку стануть поліпропіленові труби, місця з’єднання таких виробів паяються, що істотно підвищить їх надійність. Добре зарекомендували себе і комунікації з міді. Незважаючи на складність зчленування цього матеріалу і збільшення витрат часу монтажу, результат порадує вас. Єдиною складністю в цьому випадку стане або придбання зварювального апарату, або виклик на будинок майстра-зварювальника. Останній варіант буде краще, особливо для не має досвіду подібних робіт господаря.
Оптимальним варіантом стануть поліпропіленові труби
У місцях підключення і випуску труб слід встановити фітинги. Для надійності їх фіксують до стіни дюбелями. Тут важливо постаратися уникнути перекосів, щоб не ускладнювати монтаж лійки і носика.
Саме на цьому етапі робіт слід провести тестовий запуск водопроводу, щоб переконатися в герметичності конструкції.
Установка зовнішніх елементів
Що стосується фіксації декоративної панелі управління, її надягають на спеціальну прищіпку. Ця засувка закріплюється на вмонтований в простінок короб основного вузла або самого блоку. Характерний звук клацання покаже, що пристрій встановлено правильно.
Зовнішні елементи закріплюються після закінчення обробки стін
Душовий випуск і гусак накручуються на встановлені в трубах перехідники і притискаються маскуючим кріпленням, несучим більше декоративну функцію. Слід залишити технологічний зазор між облицюванням стіни і краном, зазвичай становить близько двох міліметрів.
Бажано герметизувати всі місця прилягання елементів сантехнічним силіконом. Такі дії допоможуть уникнути проникнення вологи у стіни. Особливо актуальне це порада для гіпсокартонних конструкцій простінків.
Вбудовані змішувачі не дарма користуються останнім часом підвищеним попитом. Адже ці системи, незважаючи на дорожнечу, дуже функціональні і зручні. Уважно вивчивши види і особливості цих конструкцій, можна вибрати необхідну вам модель і без особливих зусиль встановити її самостійно.

Зовнішні елементи закріплюються після закінчення обробки стін

Після монтажу системи потрібно провести її тестовий запуск

Відсутність зайвих громіздких елементів кріплень звільняє стіни санвузла

Вбудовані змішувачі дуже витончені

Деякі моделі передбачають не тільки прихований змішувач, але і душовою шланг

Встраеваемые змішувачі з одним важелем підходять для умивальників

Внутрішній механізм виготовляють з міді або латуні

Перш ніж приступити до монтажу, необхідно ознайомитися з інструкцією виробника

Для механізму проробляють отвір в стіні

Оптимальним варіантом стануть поліпропіленові труби

Конструкції з двома душовими лійками дуже зручні

Часто в комплекті з внутрішнім блоком йде захисний пластиковий кожух

Змішувачі прихованого монтажу зазвичай багатофункціональні і підвищують естетику інтер’єру санвузла

Деякі моделі оснащені термостатом
