Тепла підлога створюється за певними схемами, які є у проектній документації, або ж розроблені у відповідності з досвідом будівництва теплих підлог в схожих умовах.
У приватних будинках умови будівництва теплих підлог мало чим різняться. Важливо, що подібні загальна опалювана площа підлоги – (в основному 80 – 250 кв. м) та площа окремих кімнат 10 – 40 м кв.
Устаткування, застосовуване для створення теплої підлоги в приватних будинках, однотипне, а нерідко однаковий – від одного виробника. Це дає можливість застосовувати подібні конструктивні, монтажні схеми теплих підлог для приватних будинків.
Далі розглянемо напрацьовані схеми монтажу теплої підлоги в приватних будинках, в т. ч. і гідравлічну розведення і підбір обладнання.
Пиріг теплої підлоги
Основна конструктивна схема – «пиріг» теплої підлоги. Є певна послідовність шарів. Але складність у недопущенні шлюбу і відступів від прийнятої схеми. 
- 7. Підстава горизонтальне, і сухе. перепад висот в кімнаті – не більше 5 мм.
- 5. Вирівнювальна підсипку з піску (нетривка стяжка) під утеплювач.
- 4. Утеплювач – щільний міцний і водостійкий екструдований пінополістирол. Товщина – не менше рекомендацій СНиП по утепленню (100 – 220 мм), для міжповерхових перекриттів – 35 мм.
- Гідроізоляція відокремлює стяжку від утеплювача, перешкоджає швидкому догляду води із стяжки.
- 3. Армування – металева сітка 50 – 150 мм, з прута 4 – 5 мм, піднесена, так, щоб знаходиться в товщі стяжки.
- 1. Трубопровід – металопластиковий, PERT і РЕХ, частіше 16 мм в діаметрі.
- 2. Бетонна Стяжка товщиною від 8 см, поділена на фрагменти зі стороною 4 – 5 м (один контур трубопроводу у фрагменті стяжці).
- 8. Деформаційні шви, заповнені демпферної стрічкою шириною 5 – 15 мм, – ділять стяжку на фрагменти і відокремлюють від стін
- 6. Підлогове покриття придатне для теплої підлоги.
- 9. Плінтус закриває деформаційний шов.

Більш детальну інформацію по кожному шару можна дізнатися на даному ресурсі.
Візуальна схема розміщення елементів, – конструкція, послідовність укладання:
Схема укладання трубопроводу
Трубопровід повинен бути покладений так, щоб не виникало температурної зебри на поверхні стяжки. Також щільність укладання визначається необхідної тепловіддачею згідно з теплотехнічним розрахунком (якщо такий проводився). Максимальна відстань між трубами – 250мм. Мінімальне – 100 мм.
Головна схема укладання – равликом (спіральна), при якій чергуються труби подачі і обратки. Укладання змійкою краще підходить в приміщеннях, витягнутих вздовж холодних зон (кутових), вузьких і довгих.
Більш щільна укладка (100 – 150 мм) у холодних (крайових) зонах, які тягнуться вздовж зовнішніх стін. Ширина крайової зони зазвичай 0,4 – 0,8 метра. Менше щільність (150 – 250 мм) ближче до центру будівлі.

Довжину одного контуру не рекомендується робити більше 80 метрів, щоб не перевищити втрату напору виникає при витраті теплоносія, який покриває “середні” тепловтрати будівлі.
Іншими словами, щоб не вийти за технічні можливості насосів 25-40 , 25-60, при покритті тепловтрат “звичайного будинку”.
Детальніше про вибір насосів теплої підлоги
Трубопровід прив’язується до сітки пластиковими застібками, – які труби застосувати
Схема водяної підлоги в будинку
Розміщення контурів водяної підлоги в будинку повинно виконуватись у відповідності з проектом. Враховуються тепловтрати всієї будівлі і кожної кімнати, виходячи з яких вибирається щільність укладання трубопроводу, швидкість руху теплоносія, насос та ін.
Але часто все зводиться до однотипними схемами, з довжиною контурів 60 – 80 метрів, які застосовні для добре утеплених будинків.
Або ж до застосування контурів довжиною 40 – 45 метрів, для яких застосовується спрощена гідравліка з обмежувачами потоку – РТЛ регулювання температури
Типова схема розміщення контурів. Згідно розрахунку не у всіх кімнатах робиться щільна укладка в холодних зонах.
Приблизно однакова щільність розміщення контурів по площі будинку, – крок укладання 100 мм в крайових зона і 200 мм в решті частини нормально утеплених будинків

Ділянки підлоги, заставлені обладнанням, низькою меблями залишаються без трубопроводу, наприклад, розміщення трубопроводу в санвузлі з ванною і душовою кабінкою.

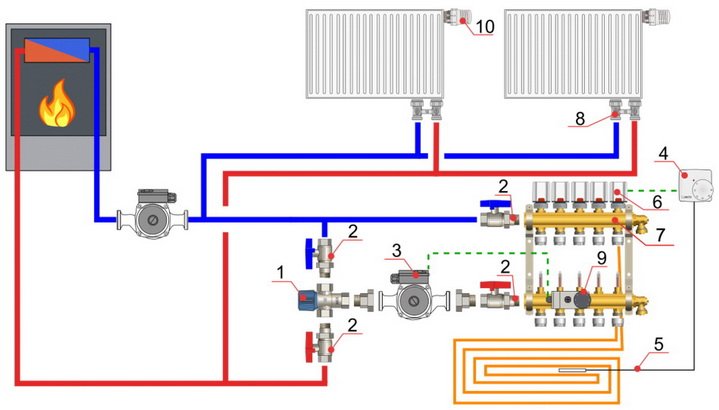
Підключення водяної підлоги, пристрій гідравліки
Водяна підлога підключається до загальної опалювальної мережі, точно також, як гілка радіаторів, – паралельно, через трійники.
Монтажна схема водяної теплої підлоги виглядає наступним чином:
Необхідно приділити увагу засобам захисту. На схемі вказані:
- Захисне термореле яке відключає насос, і яке встановлено на подавальному колекторі.
- Байпас з диференціальним клапаном між подачею і обратку, перепускающий рідина при підвищенні різниці тиску з-за прикриття контурів.
- Контролер насоса, вимикає його при закритті сервоприводів на колекторі.
Також на схемі наведено засоби автоматики – термостати у кімнатах зблоковані з сервоприводами регулювальних кранів на колекторі.
Роботу змішувального вузла і колектора розберемо окремо.
Як працює змішувальний вузол з колектором – схеми обладнання
Наведена схема роботи триходового клапана. в якому змішується подача з котла і обратка з теплої підлоги. 
Робота клапана можлива тільки під впливом насоса теплої підлоги встановленого в контурі колектора (в будь-якому місці).
На практиці може встановлюватися і двоходовий клапан перекриває подачу на змішувальний вузол.
Клапан керується засобами автоматики – термоголовкою, датчик якої встановлюється на трубопроводі подачі і регулює температуру зазвичай в межах 30 – 50 градусів.
Колектор водяної підлоги розподіляє теплоносій по контурах. Зазвичай на гребінці обратки колектора встановлюються балансувальні крани, можливо з сервоприводами. На подачі – покажчики потоку з можливістю перекриття. Але це дорога комплектація.

Детальніше про влаштування колектора теплої підлоги
Найбільш дешевий варіант гідравліки теплої підлоги для невеликого будинку – колектор з закриваючими кульовими кранами (з додатково встановленими балансувальним на найбільш коротких петлях), з термоголовкою змішувального вузла, яка регулюється вручну.
