Традиційно в опаленні потребує будинок, квартира, прибудова, в крайньому випадку гараж, якщо він виконує роль майстерні за сумісництвом. Опалюються і промислові, і громадські приміщення, і навіть відкриті майданчики, наприклад, за допомогою інфрачервоних обігрівачів.
Але в умовах суворої зими в обігріві потребують і салони автомобілів: вантажного транспорту, автобусів тощо.

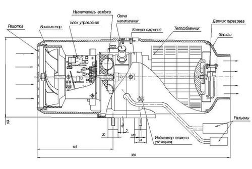
Конструкція отопітеля
Установка, здійснює обігрів кабіни або робочого місця водія за допомогою потоків теплого повітря, що отримало назву повітряного обігрівача. Конструкція включає в себе нагрівальний елемент, насос для подачі дизельного палива, пускорегулировочную апаратуру і провід для з’єднання елементів. Прилади випускають російським заводом «Планар» (р. Самара) і характеризуються доступною ціною при високій ефективності, як свідчать відгуки. На фото – опалювальна автомобільна установка.
Принцип роботи повітряного отопітеля Планар такий: насосом паливна суміш подається в камеру згоряння. Тепло, що отримується при згоранні, передається теплообміннику. Останній обдувається потоком повітря, а потім нагріте повітря подається в кабіну водія. Продукти згоряння виводяться з салону автомобіля, тому використовувати обігрівач Планар в закритих приміщення — гараж, майстерня, забороняється.
Паливною сумішшю для приладу служить дизельне паливо, що отримується з бака. Обігрівач працює в автономному режимі, незалежно від стану двигуна.
Під час кожного включення обігрівача проводиться попереднє тестування датчика перегріву, стану насоса, індикатора пальника і електроланок. При відхиленні в стані елементів згідно інструкції розпал ініціюватися не буде. Якщо тест пройдено успішно, камера згоряння попередньо продувається – повітря виводиться з салону, горить свічка, а потім подається суміш палива і повітря для згоряння. По досягненню нормального стабільного горінні відключається свічка.

При відключенні припиняється подача паливної суміші, проводиться гасіння пальника і продування камери згоряння.
Регулювання температури здійснюється автоматично, згідно з установленим значенням: від 15 до 30 градусів. Коли температура повітря в салоні досягає заданої величини, прилад переходить в режим з меншою тепловіддачею. Якщо різниця між параметрами велика, то пристрій може активувати режим вентиляції, що сприяє охолодженню робочого місця. При зниженні температури повітря, автономний обігрівач Планар переходить у більш активний режим. Опціонально прилад може бути забезпечений виносним температурним датчиком, який розміщується в кабіні
Монтаж установки проводиться тільки фахівцями.
Переваги і недоліки
- Прилад працює в автономному режимі – двигун може бути вимкнений.
- Відзвітує малим споживанням палива. Останнє подається у обігрівач з бака.
- Продукти згоряння виводяться з салону автомобіля, забезпечуючи чисту атмосферу всередині.
- Пристрій відрізняється компактними розмірами і малою вагою – до 12 кг в залежності від моделі. При цьому обігрів кабіни відбувається буквально в лічені хвилини. На фото представлений зразок.
- Доступна вартість.
До недоліків ставиться певна обмеженість у застосуванні – установку не можна розміщувати в місцях, де накопичується пил або можливо накопичення парів легкогорючих речовин, а також є обов’язковою наявність батареї.
Забезпечення безпеки
Опалювач Планар обладнаний декількома системами безпеки, що забезпечують стабільну роботу приладу та аварійне відключення при позаштатному режимі.
- При невдалій спробі запуску за замовчуванням проводиться друга спроба. Якщо ж запуск все одно залишається неможливим, прилад відключається.
- При порушенні роботи пальника пристрій негайно відключається.
- Також проводиться автоматичне відключення при перегріві теплообмінника. При зниженні чи зростанні сили струму установка відключається.

Усі вищезазначені події відображаються на пульті миготінням світлодіода – червоний або оранжевий, у певному режимі. Інструкція містить розшифровку сигналів, що дозволяє швидко встановити причину неробочого стану, про що свідчать відгуки користувачів. На фото – керуючий пульт.
Рекомендації по використанню
Продовжити термін експлуатації автономного обігрівача і помітно зменшити витрати на ремонт можна, дотримуючись рекомендовані в інструкції правила використання.
- Паливо – відомо, що ефективність роботи двигуна залежить від температури навколишнього повітря. Для нагрівника Планар також рекомендується дотримуватися деякі умови. Так, при температурі до -5 С, застосовується дизельне паливо 3-0,2, при значеннях від – 5 до -20 С, бажано використовувати суміш бензину і солярки, а при більш низьких температурах – паливо марки А-0,4.
- Обігрівач рекомендується включати на 5-10 хвилин один раз на місяць, навіть коли немає потреби в обігріві салону. Таким чином передує поява плівкових відкладень в паливному насосі.
- Не можна відключати пристрій до закінчення етапу продувки. У будь-який інший момент відключення можливо.
- Слід перевіряти рівень зарядки акумуляторної батареї. Якщо автомобіль тривалий час не використовується, то опалювач Планар необхідно відключити від батареї.
- Не можна підключати обігрівач до електричної ланцюга машини при працюючому двигуні. Живлення приладу здійснюється від акумуляторної батареї поза залежності від маси транспортного засобу.
- Під час заправки автомобіля прилад слід відключити.

Ремонт приладу рекомендується довірити фахівцям. Однак з простими проблемами, не пов’язаними з пальником і пошкодженнями електричних частин, можна впоратися і самостійно, судячи з відгуків. Інструкція, що додається до приладу, докладно описує найбільш ймовірні з них.
Досить часто, якщо не дотримані рекомендації по переходу на зимовий паливо відбувається запарафинивание паливного фільтра. В результаті пристрій Планар не включається. При цьому слід спочатку замінити паливо на відповідне погодних умов, і перевірити роботу топливозаборника. Якщо після прочищення його фільтра опалювач Планар як і раніше не працює, слід демонтувати насос для подачі палива, і, відвернувши штуцер, зняти фільтр. Елемент промивається в бензині і продувається стисненим повітрям, а потім встановлюється на місце. Штуцер по закінченні ремонту слід фіксувати на герметик. На відео процес очищення фільтра представлений більш докладно.
