Індукційний нагрівач. У його роботі використовується принцип індукції. Це екологічний прилад, не несе шкоду і небезпеку для людського здоров’я, не дає кіптяви і не вимагає заготовки або закупівлі твердого палива. Індукційний генератор з успіхом нагріває воду в опалювальній системі і може бути зроблений власноруч, що заощадить фінанси сім’ї.
Його використання можливе в побутових електроприладах для нагрівання води, на кухні для приготування їжі, для плавки металевих сплавів будинку. Щоб виготовити такий безпечний та економний прилад, можна придбати доступні за ціною мікроконтролери та датчики.
Переваги:
- Початкова герметичність суцільнометалевого елемента нагріву і дистанційна транспортування енергії електромагнітним полем. Це допоможе уникнути протікання.
- Безшумність навіть при вибрировании нагрівального елемента, так як частота вібрацій не сприймається людськими звуковими хвилями.
- Можливість самостійного складання нагрівача завдяки доступній ціні його елементів.
- Просте обслуговування і виключення поломок, яке гарантує постійно циркулює теплоносій, що не дає сердечникові перегріватися.
- Екологічна безпека.
- Швидкий нагрів.
- Відсутність необхідності чищення, так як накип не осідає із-за вібрацій, що генеруються вихровими струмами.
- Довговічність — до 25 років, надійність і ефективність. А також можливість відмовитися від циркуляційного насоса, так як на старті відбувається розігрівання теплоносія до газоподібного стану, і він тече по трубопроводу під дією теплової конвекції.

Види нагрівачів і принцип дії
Класифікація індукційних нагрівачів на певні категорії здійснюється за діапазонами їх частот на виході, які і визначають надалі їх використання. Види:
- високої частоти — 20-40 або 30-100кГц;
- середньої частоти — 0,5-20 кГц;
- надвисокочастотні — 100кГц — 1,5 МГц.
Індукційний котел складається з сердечника, електро – та теплоізоляції і самого корпусу. Відмітна його риса — тороїдальна обмотка провідниками з міді, яка розташовується між 2-ух зварених сталевих труб товщиною від 10 мм з ферромагнита.
Дана конструкція більш легка, з високим ККД і малогабаритна. Серцевиною виступає труба з обмоткою. А 2-ая труба нагріває теплоносій. Індукційний струмовий потік, генерований високочастотним магнітним полем з зовнішньої обмотки на трубу, сприяє нагріву теплоносія, викликаючи одночасно вібрацію стінок.
Робота приладу заснована на електромагнітної енергії, що забирається теплоносієм і перетворює її в тепло. Індуктор у вигляді многовиткового циліндра сприяє утворенню магнітного поля водонагрівача.
Змінний електрострум тече через котушку і утворює магнітне поле змінного типу, чиї лінії розташовані перпендикулярно магнітному потоку і замикаються в коло при їх пересуванні. Саме вихрові потоки перетворюють електроенергію в теплову, яка витрачається досить ефективно і при незначній швидкості нагрівання.

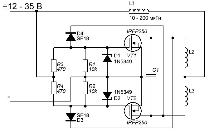
Схема простого індукційного нагрівача
Робимо своїми руками
Необхідні матеріали та інструменти
- Полімерна труба з товщиною стінок від 3 мм і діаметром 5 см для виконання ролі сердечника.
- Обмотки з емальованого дроту з міді діаметром від 3 мм, щоб створити індукційну котушку з 50 або 90 витками на нагрівачі і приєднати їх без спайки і розривів до клем.
- В якості нагрівача виступає рубана дріт в 5 см діаметром 5-6 мм.
- Зварювальний інвертор високої частоти, що дозволяє плавно змінювати діапазон сили електроструму (від 15 А). Або 3-ехфазный трансформатор.
- Кусачки, паяльник та зварювальний апарат.

Процес виготовлення
Більшою надійністю відрізняється водонагрівач з фіксованим 3-ехфазным трансформатором і 2-умя трубами з металу, які уварені один в одного, тобто контур має форму бублика. Обмотка робиться на зовнішній трубі, а до корпусу виробляють приварювання патрубків.
Нагрівальний елемент повинен бути розташований тільки по центру для посилення впливу вихрових потоків. Абсолютна герметичність системи буде забезпечена тільки при наявних робочих навиках зі зварювальним апаратом.
Продуктивність приладу буде вище, а розмірні параметри — менше. Необов’язково встановлений захисний чохол допоможе знизити теплові та струмові витоку.
Правила безпеки
- Категорично не дозволяється включення обладнання поза розводки, не заповнивши полімерну трубу водою. Так як це загрожує розплавленням полімерного корпусу і випаданням розпечених металевих смужок.
- Включення обладнання повинно відбуватися в окрему лінію, для якої потрібно кабель перерізом 4-6 кв. мм.
- Повинна бути присутнім напірна циркуляція, щоб не розірвало корпус від скипіла води. Для цього встановлюється клапан надлишкового тиску на виході.
- Необхідно монтувати запобіжний клапан, щоб знизити тиск в разі виходу з ладу циркуляційного насоса і вироблення пари в надлишку.
- Інвертор повинен бути підключений до мережі з використанням захисного відключення. Бажано встановити манометр або контролери.
- Повинно бути передбачено заземлення індукційної обмотки, для чого електропровід виводиться на металевий контур, який заритий в землю.
- Обладнання повинно розміщуватися від 80 см від статевого та стельового перекриття, від 30 см від стінових поверхонь. Щоб огородити себе від дії електромагнітного поля, монтаж слід робити далеко від зони проживання людей.
- Щоб уникнути опіків і струмових ударів, слід ізолювати відкриті мідні ділянки.
